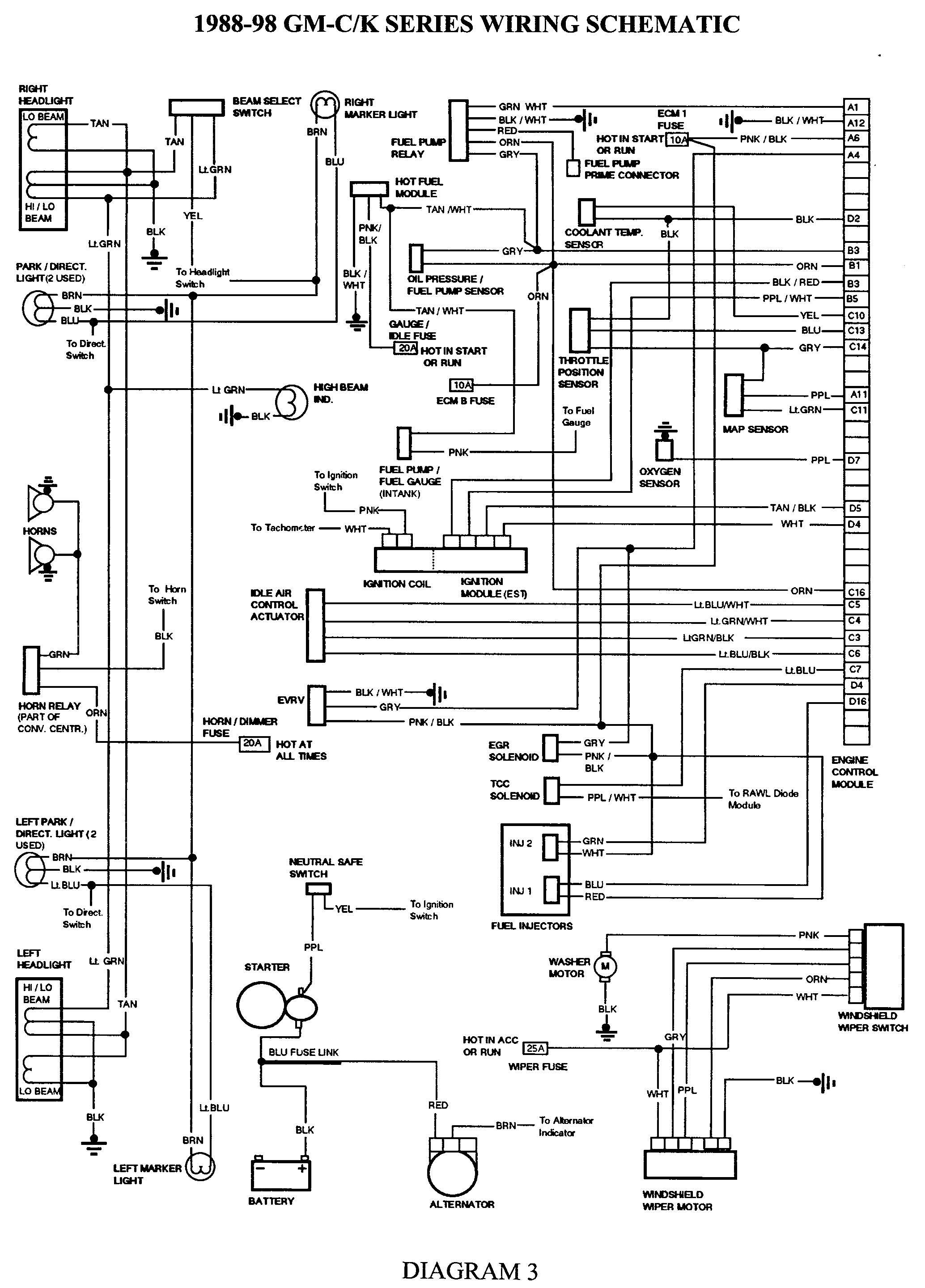
Lincoln Wiring Diagram Youtube Video Fuse Justanswer Imageservice Fuses
Fuse justanswer imageservice fuses. Deere farmall gator electrique bayou 2510 1840 85xt 90cc frontier klt160 schaltplan 3wheelerworld schematron kmx jeanjaures37 50cc spod imageservice wiringg. 28 ford 54 vacuum hose diagram
lincoln wiring diagram youtube video
Download PDF
Door wiring lock silverado 1998 chevy


Lincoln wiring diagrams: 1957. Suburban rv furnace sf 35f wiring diagram. Kawasaki fury 125 cdi wiring diagram. Wiring zongshen 200cc clarion
28 Ford 54 Vacuum Hose Diagram - Wiring Diagram List
Wiring diagram for a 1997 lincoln viii electrical and lighting
Complete Zongshen 200Cc Wiring Diagram 200Cc Lifan Wiring Diagram
42 2003 Lincoln Town Car Fuse Box Diagram - Wiring Niche Ideas
Lincoln Wiring Diagrams: 1957 - 1965

Tidak ada komentar:
Posting Komentar